
If you have some Esprit News
and don't forget to follow us on
@EspritWorld
September 2010
Lotus Esprit
The ultimate Lotus returns in 2013. This exclusive supercar continues where its forefathers had once driven. The latest version of the evocative Esprit continues where its forefathers had once driven. This exclusive supercar combines ultra aggressive contemporary styling with an intensive immersive driving experience, powered by an all-new supercharged, charge-cooled V8 heart giving stunning performance through light weight, in the perfect expression of Lotus supercar ownership.see more at the Lotus webiste www.lotuscars.com/en/lotus-esprit
Lotus has revealed a raft of new models in a sensational press conference at the Paris motor show.
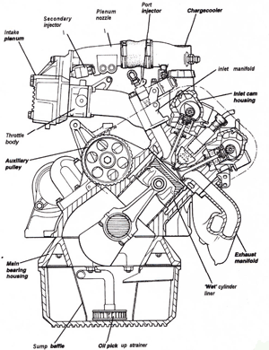
The first announcement was that the iconic Esprit will return in 2013 as part of an ambitious strategy to replace the entire current range of cars with more upmarket offerings. Lotus boss Dany Bahar insists that the philosophies of founder Colin Chapman - just add lightness - still apply, but the evidence is scant on first look.
The new Esprit will be powered by a supercharged Lexus-sourced 550bhp V8 and should cost around £110,000.
The kerbweight will be a portly - for Lotus - 1550kg.
See more here
New line up includes a new Elise, Elite, Elan and a four door Eterne.
–––––––––––––––
New Esprit
Is it here?
The New Lotus Esprit we've been waiting for since 2004 might be here at long last. This video shows what is a convincing 'New' Esprit.
Press are saying: The ancient Esprit two-seater supercar will be updated with a 620 horse-power V8 engine as an attempt to challenge carmakers such as Porsche and Ferrari.
We get the feeling you won't see it in production for a little while, but truthfully we don't know anything! Waiting for news to break.
–––––––––––––––
Poly Bush Components
Lotus have Poly Bushes for All Esprit Models
The Lotus Poly Bush components will replace the standard (rubber) bushes on all models. The only bush that does not have a Poly replacement is the rear Suspension link bush used on cars with Compomotive Wheels.The Poly Bush replacement components replace the Rubber Bushes as follows (on Pre 1985 Esprits).
Rear Wishbones - A082D4084F replaced with Poly LOTAC05448 (set of 8)
Rear Radius Arm - X046D6000F replaced with Poly LOTAC05457 (set of 2)
Front Upper W/Bone Pivot Bush - X036C6004F replaced with Poly LOTAC 05453 (set of 4)
Front Lower W/Bone Pivot Bush (Rear) - A075C6000F replaced with Poly LOTAC05454 (set of 2)
Front Lower W/Bone Pivot Bush (Front) - A082D4084F replaced with Poly LOTAC 05459 (set of 2)Contact your local Lotus Dealer or Independent specialist to order the correct parts for your MY Esprit.
–––––––––––––––
Is the New Esprit coming?
Lotus launching new models at Paris Motor show
With the Paris Motor Show taking place on 2nd -17th October 2010. Lotus are set to unveil a new line up of models. Now here at LEW, we are only really concerned about the new Esprit. Lotus have pre-released pictures of the new Lotus Elite, but nothing on the Esprit yet. Rumors are that they'll be a new line up of model unveiled, including the new Esprit with possibly two engine types. This is yet to be confirmed by any official source, but if you go to www.grouplotus.com they are counting down to the event on their home page. Could we have a new Esprit finally after a 6 year wait. We'll see in a few days.–––––––––––––––
Club Lotus Parts Fair Cancelled
October 9th event bites the bullet
It is with great regret that I must inform you that we¹ve been forced to cancel the Club Lotus Parts Fair at Malvern on October 9th. We¹ve not taken this decision lightly but feel we cannot run the event following a very poor response from the expected stand holders. To date we have only 10 autojumble stands booked and no Lotus traders at all - it would be embarrassing to call that a show.I¹m very sorry if you were looking forward to coming along but I¹d prefer to take a tough decision now rather than have to explain to you when you arrived why there were so few stands to visit. This doesn¹t mean there will never be another Parts Fair in the future and we¹ll keep you up to date with our show plans for 2011.
It also doesn¹t mean there¹s nothing happening at Malvern over the weekend of 9/10 October. Andrew Greenwood¹s long established and very big Great Malvern Autojumble will still be running on Saturday 9th together with his Classic Car Show and Autumn Spares day on Sunday 10th. Furthermore we know that at least five of the autojumblers who had booked with us have simply moved into the main autojumble so there will still be a Lotus element there.
If you have already bought advance tickets from us they are still valid for the 9th or you can apply for a full refund.
Best regards,
Alan Morgan
Club Lotus
–––––––––––––––
NORTH WEST LOTUS
September Offer
North West Lotus are currently offering up to one hours free diagnostic and or vehicle inspection on all Lotus cars, so if your Lotus is not feeling too healthy then please contact us immediately to book an appointment, Tel: 0151-608-2233 cars can be collected subject to collection fee.–––––––––––––––
NEW Esprit?
Lotus CEO Dany Bahar Spotted With New Esprit
Lotus CEO Dany Bahar has taken delivery of possibly the most costly Esprit on the roads today. As a 2002MY Final Edition V8 this car is a 350bhp monster which has had a recent ground up restoration we estimate would cost in excess of £75,000 and a striking new paint job in pearlescent Ice White. We’re not sure if you’ll see the car cruising the streets of Norwich but if the CEO has an Esprit on his mind, why would that be?
The Mondial De L’Automobile is 17 days away, all the indications including this are pointing to Lotus unveiling the new Esprit – a car we’ve been waiting for eagerly since the demise of the last iteration of the Esprit in 2004. Little is known of the car, no spy shots have been taken as of yet nor has it been seen lapping the ‘Ring in sub 7 minutes however expect it to be the flagship vehicle of a new range of cars Bahar and his team have been working on since he took over in 2009..Taken from the lotus forums
–––––––––––––––
Last Chance for Calendar Pics
Get your Esprit in the 2011 Calendar
We will be finalising the 12 Esprits for the 2011 calendar in the next week or so, so you still have time to send us your best pictures and get your Esprit to star in the Esprit Calender. Email to admin@lotusespritworld.com.–––––––––––––––
Update from Lotus Cars
1980-84 Esprits
September 2010
The Esprit Turbo 1980 – 1984 can use the same Dampers as the 85 Cars. The Front Damper is used without the Damper Spring Platform (the spring lower location is on the Suspension arm). The Rear Damper is as used on the '85 car. Damper Part Numbers are as follows:
Front LOTAC05404
Rear LOTAC05405–––––––––––––––
August 2010
First gathering of Lotus Esprit in South of France
More news soon
–––––––––––––––
NORTH WEST LOTUS
For prices and friendly help and advice contact Andy on 0151 6082233. Please note that as a newly formed company we are not currently vat registered so your overall saving could be much more.
Discount on cam belt replacement for all Lotus models.
How old is your cam belt? For a limited time North West Lotus are offering 15% off the labour costs of all Lotus cam belt replacements. The recommended interval for replacing 4 cylinder cam belts is every 24,000 miles or every 2 years, whichever is sooner. HTD belts (HC ) engines are every 36,000 miles or every 3 years and V8 esprits are every 24,000 or every 2 years whichever comes sooner. Needless to say this is not an item to be overlooked on any Lotus as the consequences of cam belt failure can be extremely costly..
–––––––––––––––
Owner trace Esprit History – Can you help?
1986 Esprit S3 D424 XPH
John Trenaman's trying to trace more of the history of his Esprit S3 which is believed to have appeared at the 1986 International Motor Show at the NEC. He has traced a few of the previous owners and has the Lotus Certificate from the factory for the car, but wants to know more about it's history. Can you help? read more about his search on his owners page.–––––––––––––––
Stainless Steel Sports Exhausts
From Esprit Performance
Esprit Performance now offers high quality stainless steel sports exhausts for your Esprit and other Marques of cars. The systems we have on offer which are currently in production are Esprit S4 sports exhaust, SE/S4 Cat by-pass pipes and 200 cell sports Cats, V8 centre exit, V8 200 & 100 cell Sports Cats and V8 Cat by-pipes. We also offer Lotus Elan M100 full systems from manifold back. This month we are developing a twin exit S4 stainless steel sports exhaust for those owners wanting a more aggressive look. We are now taking deposits for this exhaust for manufacture hopefully by end of month. Next month we will be developing a stainless steel V8 twin exit sports exhaust with exit either side. The above systems are in stock or on very short lead-in times. We also offer stainless steel exhaust systems for most other popular makes and models, should one of your other cars from your fleet need one! We can also obtain exhaust systems for any Lotus subject to manufacturer’s lead-in times from other manufacturers. We also offer a complete fitting service using North West Lotus 0151 608 2233.
For more information or to place an order please see below for contact details:-
Tel/Fax: +44 151 691 0325
Mobile: +44 771 775 0453
Email: mail@espritperformance.com–––––––––––––––
July 2010
ClubEsprit Multi-year memberships
Sign up for longer and save more!
ClubEsprit is now offering multi-year memberships as a way of saving you more money. Sign up for 2 or 5 years and reduce the cost of membership! Read more at www.clubesprit.co.uk.–––––––––––––––
Service Discount
Black Circles off Extra Discount in July
Black Circles are now offering car servicing which they are pretty excited about. They now have a Full Annual Service option which saves serious money compared to car dealers and other branded garages. As an extra special launch promo they have created a code for all ClubEsprit members.
For July you can save 15%. See here for Discount Code
You can use it now for a service in the future or even get a quick quote and see what you can save! With 98%+ of their feedback saying they were excellent, it’s well worth it!Obviously you can use this service discount on your 'other' car to save money!
–––––––––––––––
Lotus Certificate
Get the details of your Lotus from Lotus
You can now get a certificate of provenance from Lotus Cars Ltd and we are happy to bring this service to Esprit owners. This has been available for a while and some LEF members have already received theres, so join the party ;-) The certificates cost £35 which includes covering letter and postage. This will detail original colours and trim, specification, build date and engine numbers etc. They can then also add where your car comes in the production list (only included if it is in the first/last 50 cars of that particular model).See more about it here
–––––––––––––––
Have you heard the news about dish networks and directv hd channels list which you can get with any of the high definition satellite receivers on sale at SatelliteDish.tv? It's the home of satellite dish television!
![]()
Check if your domain name is available: