
Esprit Gearshift
Gearshift Master UnitGearshift
LEW, with the help of it's users, has been working with Lotus to overcome the problem of worn bushes in the gearshift master unit. These cannot be purchased on there own, requiring a complete new gearshift master unit to be bought. This is an obvious problem as the cost of this is huge compared to being able to buy the serviceable parts. Lotus are now looking at making the bushes available as a kit, so gearshifts can be fixed if they wear out.
The worn rubber (as above) is a classic sign of overloading. It is possible that the gearshifts operate for some time with poor adjustment which results in more force being used to select gears. Lotus believe that what happens is that as the adjustment changes gradually the driver is not aware and continues driving and gearchanging until it becomes impossible to change gear. It is only at this point that something is done and the adjustment is restored to the correct setting and the shift is fine. If you can not select any gear with one finger on the gearlever something is wrong and needs investigating before the damage is done to either the gearbox or gearshift.
Lotus are looking at all the rubber & plastic bushes on the gearshift with a view to having them as separate service parts. When the gearshift was originally produced for Lotus in 1987 it had all these 'standard parts' built into it. These parts had a life of at least 100,000 miles normal use. Their development cars of that time covered at least that mileage with the original parts. It was considered that the complete mechanism would require replacing after this mileage.
Over the last few months Lotus have seen several instances of failure of these parts. It now seems that the basic mechanism survives reasonably well with only the 'bushes' needing replacement in the majority of cases. Discussions are taking place to source the parts in question as 'service parts'.
One thing that does load up the cable bushes in the Gearshift Master Unit is if the bearings in the Translator at the rear go tight due to lack of use (bearing going stiff). The bearings can seize and cause a heavy gearshift. It may be beneficial to occasionally disconnect the cables and link rod and rotate the translator to see if the bearings are tight. If it is tight it can be recovered by rotating it a few times to free it. Replacement of the bearings may be the only solution if the bearings have deteriorated to a point where they cannot be recovered. Lotus are also looking at an overhaul kit for this part..
When Lotus were developing the gearchange a lot of effort went into the noise isolation side of things. Over the years they have been updating the system were possible to improve the gearshift and reduce noise transmission. When Lotus were able to move the gearshift to the right hand side of the gearbox and get a better cable run this improved the gearshift (more positive feel), reduced the noise transmission and reduced the gearshift effort. All this leads to reduced loading on the shift mechanism and longer life and less maintenance. Some of these vehicles are approaching 18 years old so will no doubt benefit from an inspection of the gearshift mechanism and any necessary adjustment or repairs.
Lotus are currently investigating the following parts for an overhaul kit.
Master Unit
* Nylon Bush (on pivot ball)
* Nylon bush (on swivel)
* Rubber Bush (on cable connection)
Translator
* Bearings (x2)
* Rubber seal
* Spherical Bushes (for Cables & Rod)
LEW's Gearchange
LEW's 92 Esprit was looked at by Lotus. We considered our gearchange to be pretty good, Lotus though differently giving us only 1 out of 10. Lotus investigated the poor change against our will (well not really) and found the bearings in both the Master Unit and the Translator to be worn. They said this about the Master Unit.• Free play in the neutral position (mainly felt side to side)
In a new unit the play in the bushes result in approx. 1mm of movement on the mechanism which is felt as about 4mm at the Gearknob (Ratio is 4:1)• Free play when selecting gear (mainly felt as lost motion before gear is selected)
In a new unit this lost motion is as a result of three things :-a) Clearance in the selector mechanism in the gearbox
b) Movement in rubber isolator bushes at cable connection (at Master Unit). These isolators are to reduce noise being transmitted from the gearbox to the gearlever.
c) Clearance in the cables. Cables have an ‘S’ bend in the early vehicles (L/H shift) which contributes to free play. (New cables would probably reduce play)On this particular unit the free play in neutral was measured as 4mm in the mechanism which results in approx. 16mm at the gearlever. The isolator bushes had worn and were contaminated with oil which made them soft making the lost motion excessive.
LEW's Master Unit, which was a little worn!
The news wasn't much better for the other end.
The Translator (at gearbox end) was inspected.
It following was noted :-The adjustment was incorrect - the translator offset should be 4mm. This offset was set at approx. 6-7mm (difficult to measure accurately as fixings loose)
All the Ball Joints were free moving (lots of lubricant evident)
All the Ball Joint fixings were loose (probably happened slowly over time) which causes play in the gearshift – additional to that found at the Master Unit.Lotus refurbished both the Master Unit and Translator to the specification in the workshop manual (also see below). Parts weren't expensive and the labour can be done by the owners. Once this work was done the gearshift in LEW's Esprit was transformed. Living with it for so long, it's easy to get used to the way it feels and think it's ok. This is something worth checking on every Esprit.
LEW will have the details on the service kits once they are ready for sale. Lotus are currently sourcing the parts at present. Once these kits are available we hope owners will make this there next job to do.
See here for service bulletin and part no. info
MY98 Onwards
The gearshift (Master unit, Translator & Cables) on the Renault transmission vehicles changed for 98 MY cars. From the Renault transmission introduction in Oct '87 until the introduction of the revised gearchange in Oct. '97 the gearchange mechanism design
remained similar apart from a few minor changes. The new gearshift mechanism introduced in Oct. '97 is a new design with a simplified operation (less parts & lower shift loads) and uses completely different parts. Lotus expect the life of this part to be better than the original 1987 design.
This revised design was only possible when Renault were able to build the gearbox with the design changes proposed by Lotus. This was not possible at an earlier date as production constraints within the Renault manufacturing plant restricted what modifications could be handled.
Lotus will be looking into the later design at the same time to see if any overhaul kits will need to be made available.
More information will appear hear as we get it, including info on the overhaul kits
If you have any comments on this page please email: admin@lotusespritworld.com
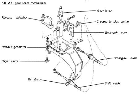
Gearchange mechanism adjustment
A two cable mechanism is used to connect the gearchange lever to the gearbox cross-shaft. The gearchange lever assembly is arranged to provide a pull or push equally to both cables when moved in the fore/aft plane. When the lever is moved side to side (crossgate), the mechanism provides a pull to one cable and a push to the other. At the gearbox end this cable movement is converted via a 'translator' into rotational or axial movement of the gearbox cross shaft.

The translator consists of two parts: a swivel 'tree' and a pivot pin, the pivot pin hangs from a splined clamp which is secured to the cross shaft extension. The swivel tree which pivots on this pin via two ball bearing races, has two diametrically opposed arms at its lower end and a single arm disposed at 90° to the others, at its top end.
When the two gearchange cables pull or push together, the lower end of the translator is pulled or pushed, and a rotation imparted to the cross shaft. When one cable pulls and the other pushes, the translator is rotated about its vertical axis, but since the top arm of the translator is connected by a tie rod to a fixed bracket, the translator itself must pivot around the outer end of its top arm, thus imparting an axial (lateral) movement to the cross shaft.
Gearchange Cable Adjustment Procedure
Adjustment of the gearchange cables can only be checked after disconnecting the ball joint on the rear end of each cable from the translator.1. Disconnect both cable ball joints from the translator.
2. With the transmission in neutral, the gearbox cross shaft is spring loaded axially to the 3rd/4th gear plane. If necessary, adjust the translator tie rod so that the tie rod fixing hole in the translator upper arm is offset 4mm inboard of a fore/aft datum line passing through the centre of the translator clamp.

3. The gearchange lever is independently spring loaded to the 3rd/4th gear plane. With the aid of an assistant, hold the gear lever leaning backwards approximately 7.5° in this crossgate plane.
4. If necessary, adjust the length of the two cables at their rear end ball joints so that they can be connected to the translator without preload. Note that both gearchange cables are identical and that the right hand cable at the gearlever end is fitted to the left hand side of the gearbox end. As a check, move the gear lever across the gate from right to left and observe cable movement at the rear end. The cable that moves forward is fitted to the left hand side at the gearbox.
Reverse Inhibitor Setting
The gearchange lever assembly incorporates a reverse inhibitor which necessitates a collar beneath the lever knob to be raised before the lever may be moved fully to the left, and then rearwards, to select reverse gear. Raising of the collar causes a stop pad to be lifted above an inhibitor plate allowing the lever to be moved fully leftwards. The reverse inhibitor is correctly set if the first and second gears may be obtained without obstruction, but reverse gear cannot be selected without first lifting the gear lever collar.Before any adjustment to the inhibitor plate position is made, first check that the gearchange cables are correctly adjusted. (see above).
If necessary, remove the centre console and gear lever lower gaiter for access, and adjust the position of the inhibitor plate for marginal clearance between it, and the gear lever pad when the lever is moved in the 1st/2nd plane.


|
|